
DMF-Y Series Cast Aluminum Pulse Jet 2/2-Way Solenoid Valve
- Pilot Operated, Normally Closed
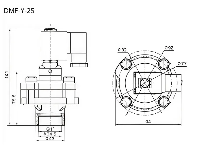
- Port Size: 3/4"–3"
- Fluid Temperature: -5°C to 55°C (-40°C to 80°C)
- Operating Pressure: 0.3–0.8MPa
- Media: air
DMF-Y series is a pilot-operated pulse solenoid valve developed for industrial dust collection systems. The valves operate efficiently within a working pressure range of 3–8 bar, and offer rapid response and powerful pulse jet performance, ensuring effective cleaning of filters and dust bags. The valve body is constructed from industrial-grade, corrosion-resistant cast aluminum with an optimized structural design. The snap-ring coil design enables tool-free replacement, while the durable diaphragm provides a lifespan exceeding 500,000 cycles, maintaining high reliability and cleaning stability even under harsh conditions.
- Pilot-operated structure with optimized diaphragm design ensures fast response and powerful jetting for excellent cleaning performance
- Dual diaphragm and coned-disk spring structure enhances diaphragm reset stability and extends service life
- Compact cast-aluminum body offers vibration resistance and durability in narrow installations
- Standard NPT thread options, with special nut design for easy pipeline installation, and optional explosion-proof version available
- Long service life with over 500,000 switching cycles, meeting international industrial dust removal standards
This valve ensures consistent and powerful dust removal performance in high humidity and heavy dust conditions. It ensures efficient cleaning performance across a wide temperature range and can handle wood dust, abrasive powder, and more. This valve is commonly used in:
- Flour milling – low-temperature food processing environments
- Furniture manufacturing – sawdust and fiber extraction systems
- Cement manufacturing – high-temperature kiln dust
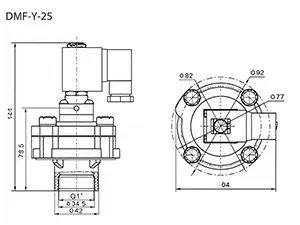
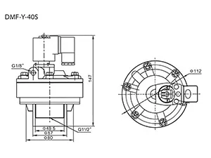
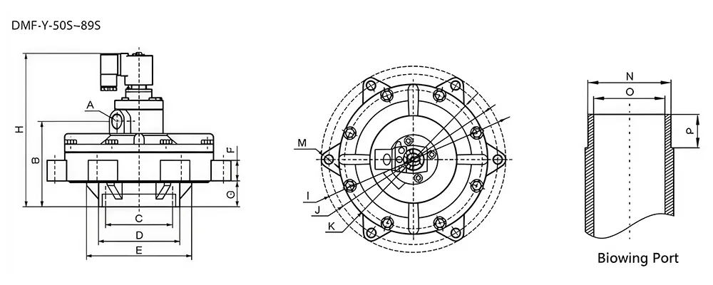
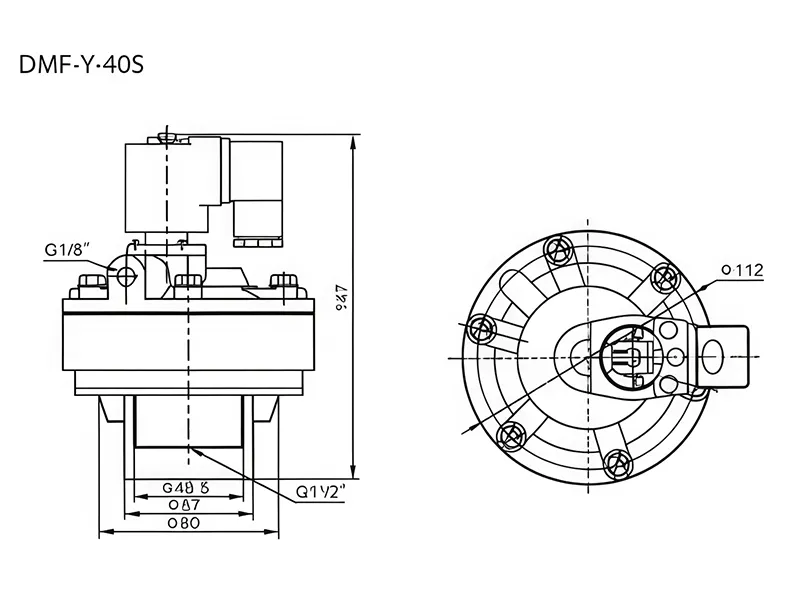
| Model |
|
|
|
|
| A | G3/8" | G3/8” | G3/8" | / |
| B | 99.5 | 106.5 | 113 | / |
| C | Ø64.5 | Ø80 | Ø90 | Ø86 |
| D | Ø78.5 | Ø93.5 | Ø109 | Ø90 |
| E | Ø118 | Ø145 | Ø141 | Ø158 |
| F | 25 | 34.5 | 27 | 33.5 |
| G | 31 | 35 | 34 | 50 |
| H | 187 | 197 | 205 | / |
| I | Ø200 | Ø230 | Ø248 | Ø200 |
| J | Ø180 | Ø208 | Ø227 | Ø176 |
| K | Ø159 | Ø184 | Ø200 | / |
| M | 6- Ø 11.5 | 6- Ø 11.5 | 6- Ø 11.5 | 8- Ø 11 |
| N | Ø61.5+0.44 +0.22 | Ø75+0.44 +0.22 | Ø892+0.44 +0.22 | Ø85+0.44 +0.22 |
| 0 | 50 | 62 | 76 | 76 |
| P | 43.5 | 44 | 34 | 34 |
| Category |
|
||
| Mode of operation | Pilot operated | Port size | 3/4"–3" |
| Series | DMF-Y | Function | Normally closed (NC) |
| Body material | Cast aluminum | Wiring | DIN connector |
| Control method | Solenoid valve | Protection level | IP65 |
| Operating pressure | 0.3–0.8MPa | Mounting | Bracket required |
| Sealing material | NBR | Recommended installation method | Horizontally |
| Fluid temperature | -5°C to 55°C (-40°C to 80°C) | Thread options | BSP, NPT thread |
-
Automated precision machining ensures each component is manufactured to exact specifications, which will extend product lifespan.
-
Precision machining of solenoid valve provides automatic cutting with high accuracy. The 5-axis machining combined with high-precision surface polishing guarantees exceptional concentricity and response up to milliseconds.
-
Fully automatic high/low-pressure detection equipment to detect the solenoid valve’s air tightness with high accuracy.
-
Leak testing using the water immersion method to ensure zero leakage under continuous operation.
-
Each solenoid valve undergoes air outlet testing by being submerged in water to ensure zero leakage and reliable sealing.
- Strict quality control: Each valve undergoes 30 quality inspections from raw material to final product.
- Swift delivery: Fast delivery supported by a sufficient inventory of semi-finished products to meet urgent orders.
- Cost-effective valve: Optimized engineering delivers the best value for equal quality levels in the industry.











