
DMF-Z Series Cast Aluminum 2/2-Way Solenoid Valve
- Pilot Operated, Normally Closed
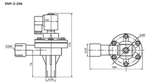
- Port Size: 3/4"–3"
- Fluid Temperature: -5°C to 55°C (-40°C to 80°C)
- Operating Pressure: 0.3–0.8MPa
- Media: air
DMF-Z series is a right-angle pilot-operated pulse solenoid valve specially designed for industrial dust collection systems. It features a unique 90° airflow channel and an aerospace-grade cast-aluminum body that is compact and wear-resistant. The patented snap-ring mechanism enables tool-free coil replacement, allowing for quick and easy maintenance. Equipped with precision internal components to ensure stable diaphragm movement and reliable pulse operation, with a lifespan of several million cycles—significantly enhancing system efficiency and long-term reliability.
- 90° right-angle design simplifies pipeline layout and saves installation space and time
- NPT thread and flange mounting options, with special nut design for quick installation
- Optional explosion-proof (ATEX-certified) models and anti-vibration mounting bracket available for high-noise or hazardous environments
This pulse solenoid valve is ideal for industrial dust collection systems operating in environments with high dust concentration or humidity. It ensures efficient cleaning performance across a wide temperature range and can handle wood dust, abrasive powder, and similar particulates. This valve is commonly used in:
- Flour milling – in low-temperature food processing environment
- Furniture manufacturing – for sawdust and fine powder extraction
- Cement manufacturing – for high-temperature kiln exhaust
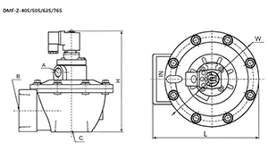
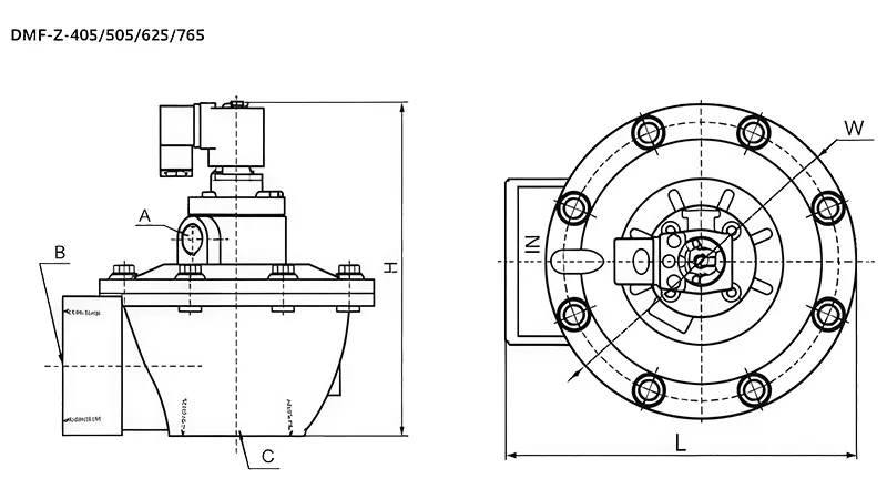
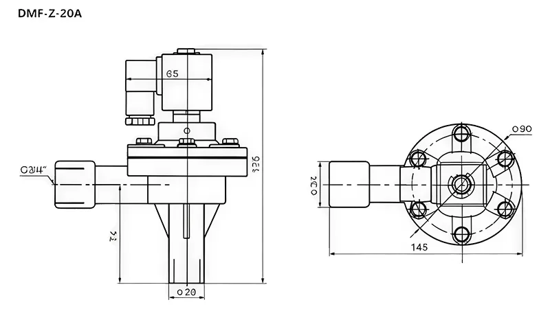
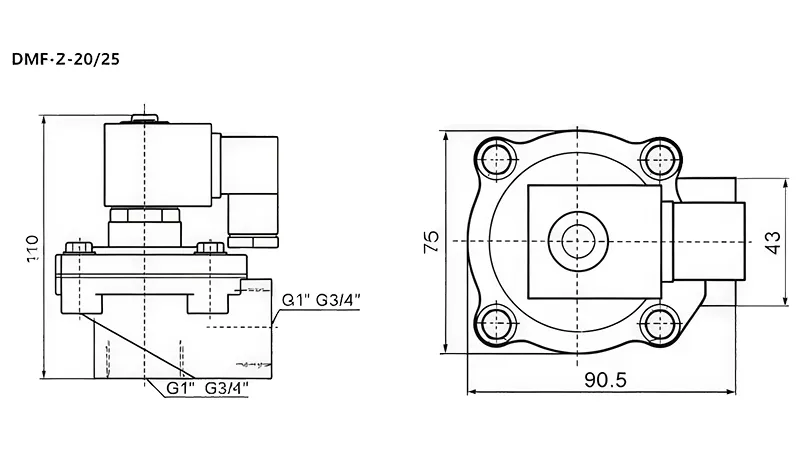
| Model | A | B | C | L | W | H |
|
|
G1/8" | G11/2" | G11/2" | 135.5 | 128 | 173 |
|
|
G3/8" | G2" | G2" | 210 | 185 | 202 |
|
|
G3/8" | G21/2" | G21/2" | 210 | 185 | 222 |
|
|
G3/8" | G3" | G3” | 230.5 | 200 | 245 |
| Category |
|
||
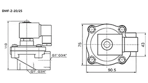
| Mode of operation | Pilot operated | Port size | 3/4"–3" |
| Series | DMF-Z | Function | Normally closed (NC) |
| Body material | Cast aluminum | Wiring | DIN connector |
| Control method | Solenoid valve | Protection level | IP65 |
| Operating pressure | 0.3–0.8MPa | Mounting | Bracket required |
| Sealing material | NBR | Recommended installation method | Horizontally |
| Fluid temperature | -5°C to 55°C (-40°C to 80°C) | Thread options | BSP, NPT thread |
-
Automated precision machining ensures each component is manufactured to exact specifications, which will extend product lifespan.
-
Precision machining of solenoid valve provides automatic cutting with high accuracy. The 5-axis machining combined with high-precision surface polishing guarantees exceptional concentricity and response up to milliseconds.
-
Fully automatic high/low-pressure detection equipment to detect the solenoid valve’s air tightness with high accuracy.
-
Leak testing using the water immersion method to ensure zero leakage under continuous operation.
-
Each solenoid valve undergoes air outlet testing by being submerged in water to ensure zero leakage and reliable sealing.
- Strict quality control: Each valve undergoes 30 quality inspections from raw material to final product.
- Swift delivery: Fast delivery supported by a sufficient inventory of semi-finished products to meet urgent orders.
- Cost-effective valve: Optimized engineering delivers the best value for equal quality levels in the industry.









