
Pneumatic Push-in Fittings
Tee & Y Push-In Fittings
Flow control elbow push-in fittings, speed flow controllers for regulating air flow in pneumatic hosesTee & Y Push-In Fittings, also known as elbow fittings, adopt a special scale ring design that allow fine flow adjustment down to 0.1 L/min, with a repeat positioning accuracy of ±2%. This eliminates the manual trial-and-error estimation of conventional flow control valves, enabling precise flow control. Full customization is available from materials, port types, performance parameters, functional extensions, appearance, markings, etc., to meet your specific system requirements.
Features
- These Tee & Y push-in fittings have a compact body
- Top-mounted flow control screw allows easy manual adjustment
- Mounting holes that support sliding installation
- Self-locking mechanism effectively prevents accidental disconnection
- Durable plastic body with strong impact resistance
- Compatible with a wide range of pneumatic piping systems
- A wide variety of fitting models are available for different needs
- Adjustable pipe direction even after installation
- Nickel-plated metal body provides superior corrosion and contamination resistance
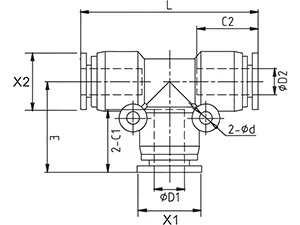
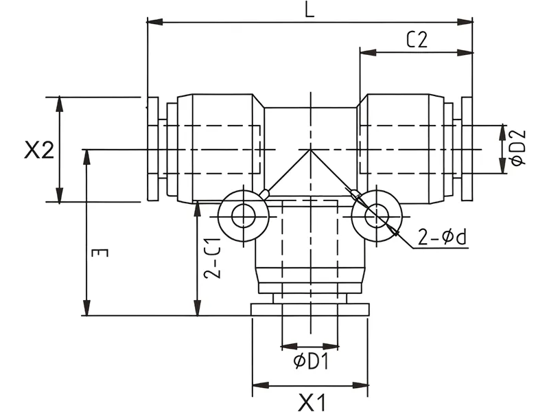
Fitting Structure
Specifications of Pneumatic Tee Push-In Fittings
Why Choose SENYA?
- High cost-effectiveness: Mass production reduces costs, saving 30%-50% compared to imported brands
- Flexible customization: SENYA provides you with drawing/sample development to meet custom requirements (e.g., high-temperature or explosion-proof)
- Factory inspection support: Customers are welcome to visit our production facilities and observe our production process and quality control procedures to verify our capabilities firsthand








